當前位置: 首頁 > 產(chan) 品展示 > 18luck手机官网係列 > 固定式端子台

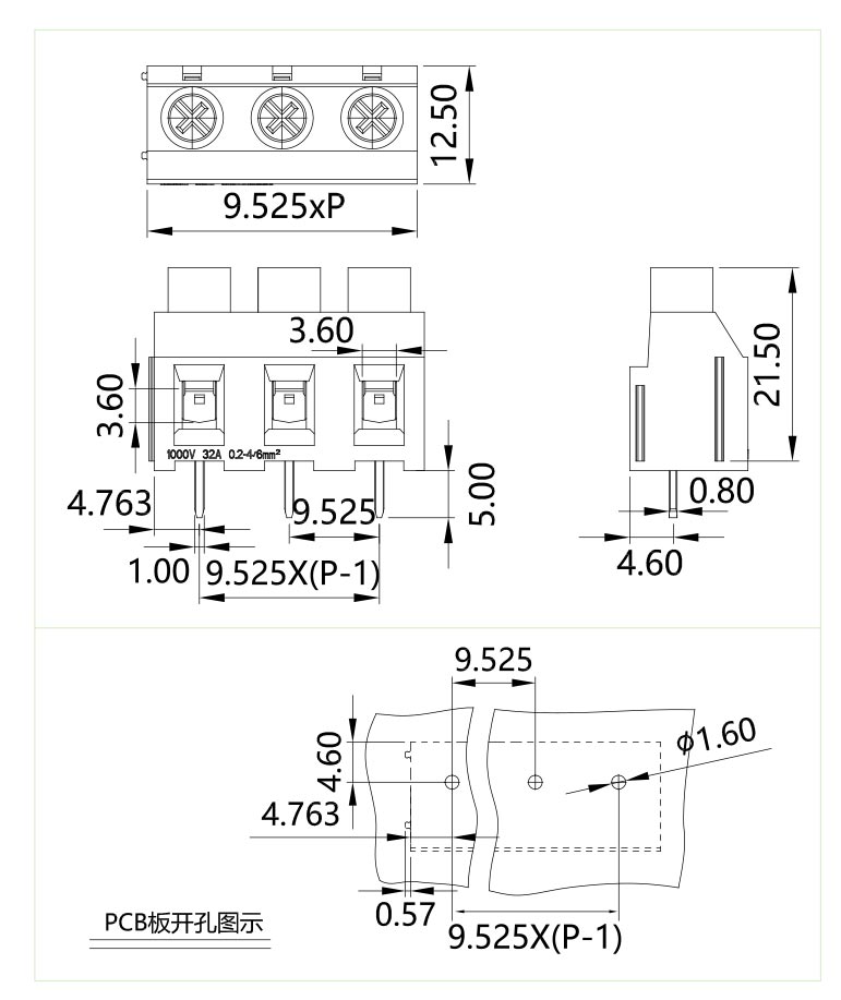
簡要描述:固定式端子台MK5-9525,間距9.525mm,位數02p、03p,進線方向平行於(yu) PCB板
產(chan) 品型號
位數
資料下載
產(chan) 品留言
產(chan) 品分類

企業名稱:
置恒18新利正网電氣科技(滁州)有限公司
熱線電話:
400-803-2001
公司地址:
安徽省滁州市南譙工業(ye) 開發區烏(wu) 衣園區蘆莊路81號
電子郵箱:
sales@rnndsw.com
掃碼關(guan) 注我們(men)
Copyright © 2012-2024 18新利正网 版權所有 sitemap.xml 免責聲明 營業(ye) 執照